Products
Globe Valve
  • Globe ValveGlobe Valve

Globe Valve

Durabilis J41H, J41Y, J41W Valvae chalybis immaculatae globum a JQF Valvae productae. Pars aperitionis eius et occlusio est valvae cylindricae LACINA, obsignatio superficies plana vel conica est, et valvae LACINA linealiter secundum mediam fluidi lineam movetur. Ferri immaculata abscissus valvae ad plenam aperiendam et plenam claudendam idoneam tantum est. Fere non adhibetur accommodare fluunt rate. Potest accommodari et iugulari cum nativus.
Foshan Jinqiu Valve Co., LTD. Est princeps qualitas valvae chalybis immaculatae fabricae integralis designationis, progressionis, fabricationis, venditionis, et servitii. Nostri principales fructus includunt varias valvulas potestates, valvulas electricas, valvulas pneumaticas, valvulae solenoides, valvulae manuales, actuatores et accessiones valvae.
Valvula chalybeis immaculata nostra valvula porta est valvula cum ferro incorrupta corpore projecto, nexus utrinque infixus, et valvae portae structura. nucleus eius munus praecise fluxum moderari vel medium in pipelines fideliter intercludere.
Ob eximiam corrosionem resistentiae et certae obsignationis effectus, una valvulae praelatae facta est pro instrumentis mordax vel alta munditia applicationibus in chemicis, petrochemicis, cibis et industriis pharmaceuticis.
Customers trust JQF valves' high quality, reliable performance, and good and comprehensive customer service. We will continue to innovate to provide first-class valve solutions.

1. Simplex Structura: Consilium valvae chalybis immaculatae valvae simplex est, ad fabricam et sustentationem aptam et efficacem faciendam.
2. Celeri Responsio: Brevis ictum laborantis permittit ut valvae velocissimae aperiendi et claudendi.
3. Dura SIGNATIO: Excellent effectus signandi, resistentia minima frictionale, et vita longi muneris.

Executive Standard

Design specifications: GB/T 12235
Structura longitudinis: GB / T 12221
Connexio Linga: JB/T 79
Test et inspectio: JB / T 9002
Product Lepidium sativum: GB / T 12220
Delivery specification: JB / T 7928

Morbi laoreet euismod

exemplar J41H-16C~160C J41Y-16C~160C J41W-16P~160P
Opus pressura(MPa 1.6~16.0
propriis caliditas. ≤425 ≤150
Idonea media Aqua, vapor, oleum Debilis mordax medium
materia Corpus, bonnet Carbon chalybe Chrome nickel-titanium immaculatum steel
Valvae caulis Chrome immaculatam ferro Chrome nickel-titanium immaculatum steel
Superficiem signantes Surfacing ferrum-fundatur alloys Hardfacing offensionis Corpus materiale
filler Asbesto graphita, graphita flexibilis, PTFE

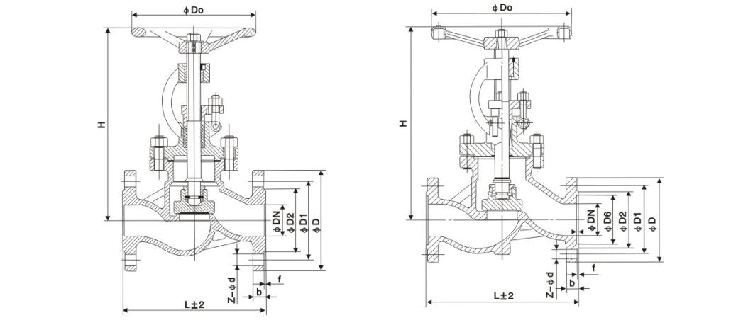
Pelagus figura et nexu magnitudine

Nominal diameter Praecipuae dimensiones et nexus dimensiones
L D D1 D2 b Z-d H D0
J41H-16C
15 130 95 65 45 14-2 4-Φ14 170 120
20 150 105 75 55 14-2 4-Φ14 190 140
25 160 115 85 65 14-2 4-Φ14 205 160
32 180 135 100 78 16-2 4-Φ18 270 180
40 200 145 110 85 16-3 4-Φ18 310 200
50 230 160 125 100 16-3 4-Φ18 358 240
65 290 180 145 120 18-3 4-Φ18 373 240
80 310 195 160 135 20-3 8-Φ18 435 280
100 350 215 180 155 20-3 8-Φ18 500 300
125 400 245 210 185 22-3 8-Φ18 614 320
150 480 280 240 210 24-3 8-Φ23 674 360
200 600 335 295 265 26-3 12-Φ23 811 400
250 650 405 355 320 30-3 12-Φ25 969 450
300 750 460 410 375 30-3 12-Φ25 1145 580
350 850 520 470 435 34-4 16-Φ25 1280 640
400 980 580 525 485 36-4 16-Φ30 1452 640
J41H-25C
15 130 95 65 45 16-2 4-Φ14 170 120
20 150 105 75 55 16-2 4-Φ14 190 140
25 160 115 85 65 16-2 4-Φ14 205 160
32 180 135 100 78 18-2 4-Φ18 270 180
40 200 145 110 85 18-3 4-Φ18 310 200
50 230 160 125 100 20-3 4-Φ18 358 240
65 290 180 145 120 22-3 8-Φ18 373 240
80 310 195 160 135 22-3 8-Φ18 435 280
100 350 230 190 160 24-3 8-Φ23 500 300
125 400 270 220 188 28-3 8-Φ25 614 320
150 480 300 250 218 30-3 8-Φ25 674 360
200 600 360 310 278 34-3 12-Φ25 811 400
250 650 425 370 332 36-3 12-Φ30 969 450
300 750 485 430 390 40-4 16-Φ30 1145 580
350 850 550 490 448 44-4 16-Φ34 1280 640
400 980 610 550 505 48-4 16-Φ34 1452 640

Structura pictura

Hot Tags: Stainless Steel Globe Valve, China, customized, Quality, Durabilis, Provectus, Fabricator, Supplier, Factory, in Stock
Mitte Inquisitionem
Contactus info
  • Oratio

    No.1, Septentrionalis 1st Road, Diver Novus Urbs, Lecong Steel Mundus West Road, Shunde District, Foshan urbs, Guangdong Provincia, China

Percontatione valvularum portarum, valvularum globorum et valvularum inspicias vel indicem pretiosum, electronicam tuam nobis relinque et intra 24 horas erimus.

X
Crusulis utimur ut meliorem experientiam pasco tibi praebeamus, situm negotiationis et personalize contentus analyse. Hoc situ utendo, ad nostrum crustulorum usum consentis. Privacy Policy
Reject Accipe