Products
GB Standard Globe Valve
  • GB Standard Globe ValveGB Standard Globe Valve

GB Standard Globe Valve

Qualitas princeps et nativus J41H, J41Y, et J41W typus GB valvulae vexillum globi fabricatae sunt per JQF Valvae, valvulae professionales in Sinis fabricantes. Eorum partes aperiendae et claudendae sunt orbes valvae cylindricae, et obsignatio superficies vel plana vel conica est. Disci valvae lineares secundum centrum fluidum movent. GB Valvulae globi normae tantum aptae sunt ad applicationes plene apertas vel plene clausas et plerumque non ad regulam profluentem adhibitae, sed fluxus regulae et suffocationis secundum necessitates mos praestari potest.
Foshan Jinqiu Valve Co., Ltd. is a manufacturing factory integrating valve R&D, manufacturing, sales, and service. Our durable GB standard globe valves are specifically designed for oxygen pipelines, ensuring safe, stable, and efficient operation. Made from high-quality materials and undergoing rigorous degreasing and cleaning processes, these valves effectively prevent combustion risks and guarantee reliable sealing performance.

Valvae globi GB vexillum in stipite aptae sunt ad pressiones pressionum PN1.6-PN16 et magnitudines DN15-DN400, semper in metallurgia, chemica, medicinae gas, industriae adhibitae sunt.

Features structuralis

Nos continenter innovat et consequitur excellentiam, cum temporibus gradatim observans valvulas globi GB ipsius qualitatem et praestantes servitii emptoris! Nos actuose apparatum, inceptum administrationem, ac technicam servitutem personas inducimus, nitimur notam valvae domesticae et internationalis notam magni facere. Clientes novos et veteres suscipimus ad facultates nostras visitandas et inspiciendas, ad mutuum commodum cooperandum, et simul melius efficiendum futurum!

Executive Standard

Design specifications: GB/T 12235
Structura longitudinis: GB / T 12221
Connexio Linga: JB/T 79
Probatio et inspectio: JB / T 9002
Product Lepidium sativum: GB / T 12220
Delivery specification: JB / T 7928

Features

1. Streamlined and Optimized Structure: Simplicior intentio componentis fabricandi et armorum sustentationem efficientiam per 30% ampliat. 2. Instantaneae Aperiens et Claudens Imperium: Micro-plaga structurae consilium consequitur aperitionem et claudendam responsionis celeritatem 0,8 secundis per cyclum. 3. Systema diuturnum obsignatio: technologiae superficiei technologiae auto-lubricans coefficiens friction ultra-humilis consequitur; compositum iacuit obsignationis anti-canus vitae spatium excedentes 50,000 cyclos aperiendi et claudendi habet.

Curabitur laoreet condimentum

exemplar J41H-16C~160C J41Y-16C~160C J41W-16P~160P
Opus pressura(MPa 1.6~16.0
propriis caliditas. ≤425 ≤150
Idonea media Aqua, vapor, oleum Debilis mordax medium
materia Corpus, bonnet Carbon chalybe Chrome nickel-titanium immaculatum steel
Valvae caulis Chrome immaculatam ferro Chrome nickel-titanium immaculatum steel
Superficiem signantes Surfacing ferrum-fundatur alloys Hardfacing offensionis Corpus materiale
filler Asbesto graphita, graphita flexibilis, PTFE

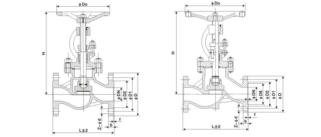
Pelagus figura et nexu magnitudine

Nominal diameter Praecipuae dimensiones et nexus dimensiones
L D D1 D2 b Z-d H D0
J41H-16C
15 130 95 65 45 14-2 4-Φ14 170 120
20 150 105 75 55 14-2 4-Φ14 190 140
25 160 115 85 65 14-2 4-Φ14 205 160
32 180 135 100 78 16-2 4-Φ18 270 180
40 200 145 110 85 16-3 4-Φ18 310 200
50 230 160 125 100 16-3 4-Φ18 358 240
65 290 180 145 120 18-3 4-Φ18 373 240
80 310 195 160 135 20-3 8-Φ18 435 280
100 350 215 180 155 20-3 8-Φ18 500 300
125 400 245 210 185 22-3 8-Φ18 614 320
150 480 280 240 210 24-3 8-Φ23 674 360
200 600 335 295 265 26-3 12-Φ23 811 400
250 650 405 355 320 30-3 12-Φ25 969 450
300 750 460 410 375 30-3 12-Φ25 1145 580
350 850 520 470 435 34-4 16-Φ25 1280 640
400 980 580 525 485 36-4 16-Φ30 1452 640
J41H-25C
15 130 95 65 45 16-2 4-Φ14 170 120
20 150 105 75 55 16-2 4-Φ14 190 140
25 160 115 85 65 16-2 4-Φ14 205 160
32 180 135 100 78 18-2 4-Φ18 270 180
40 200 145 110 85 18-3 4-Φ18 310 200
50 230 160 125 100 20-3 4-Φ18 358 240
65 290 180 145 120 22-3 8-Φ18 373 240
80 310 195 160 135 22-3 8-Φ18 435 280
100 350 230 190 160 24-3 8-Φ23 500 300
125 400 270 220 188 28-3 8-Φ25 614 320
150 480 300 250 218 30-3 8-Φ25 674 360
200 600 360 310 278 34-3 12-Φ25 811 400
250 650 425 370 332 36-3 12-Φ30 969 450
300 750 485 430 390 40-4 16-Φ30 1145 580
350 850 550 490 448 44-4 16-Φ34 1280 640
400 980 610 550 505 48-4 16-Φ34 1452 640

Structura pictura

Hot Tags: GB Standard Globe Valve, China, Mos, Qualitas, Dura, Provecta, Manufacturer, Supplier, Factory, in Stock
Mitte Inquisitionem
Contactus info
  • Oratio

    No.1, Septentrionalis 1st Road, Diver Novus Urbs, Lecong Steel Mundus West Road, Shunde District, Foshan urbs, Guangdong Provincia, China

Percontatione valvularum portarum, valvularum globorum et valvularum inspicias vel indicem pretiosum, electronicam tuam nobis relinque et intra 24 horas erimus.

X
Crusulis utimur ut meliorem experientiam pasco tibi praebeamus, situm negotiationis et personalize contentus analyse. Hoc situ utendo, ad nostrum crustulorum usum consentis. Privacy Policy
Reject Accipe