Products
API Reprehendo Valvae
  • API Reprehendo ValvaeAPI Reprehendo Valvae

API Reprehendo Valvae

Jinqiu Valvae altae qualitates API reprehendo valvulae ASME, API, GB signa conveniant. Instructus CNC machinis centris et instrumentis metallicis instructus, societas technologiae CAD/CAM in producto consilio et fabricando utitur, signis ISO9001 adhaerens ut praecisionem et qualitatem API partium valvularum partium inhaerens.

Jinqiu Valve, valvularum fabricator in Sinis professionalis perscriptio, valvulae nostrae API perscriptio designantur et fabricantur omnino secundum signa Americana. Hae valvae aesthetice structuram placentes et technologiam provectiorem inducunt. API reprehendo valvulae sponte apertae et discus valvae claudunt secundum fluxum ipsius medii ne refluxus. Notae etiam sunt ut valvulae unius modi, valvulae reprimendae vel valvulae refluxae. Praecipuae functiones eorum sunt impedire recessum medii, ne sentinam moveat et conversionem motoriam repellat, et lacus medii intra continentem praeveniat.


1. Minimum Resistentia fluens: Cum valvae API perscriptio plene aperta est, via fluens paene patens est, unde gutta pressionis humilis est.
2. Velox clausurae et refluxus praeventionis: Vectis actio disci valvae celeri responsionis et clausurae permittit etiam ad impetum remissi.
3. Applicabilitas Lata: Apta amplis diametris organis, ab DN50 ad DN1200 et supra.

Curabitur laoreet condimentum

Vide numerum nomen project modulus
1 Nominal pressurePN(MPa) 150LB 300LB 600LB 900LB 1500LB 2500LB
2.0 5.0 10.0 15.0 25.0 42.0
2 Test pressura test viribus Nominal pressura ad locus temperatus 1.5 temporibus
3 Princeps pressura sigillum test pressura Nominal pressura ad locus temperatus 1.1 times
4 Opus pressura ad locus temperatus Pressura ASME B16.34 pressura et temperatus rating

Product speciem

design signa Structura longitudinis LABIUM nexum magnitudine Test et inspectionem Pressura et temperatus referat
API6D/ASME B16.34 ASME B16.10 ASME B16.5 API598/API6D ASME B16.34

Praecipua materia

Pars Nomen Materia nomen
Corpus A216 WCB A217 WC6 A351 CF8 A351 CF8M A351 CF3 A351 CF3M
cap A216 WCB A217 WC6 A351 CF8 A351 CF8M A351 CF3 A351 CF3M
Plate valvae A216 WCB A217 WC6 A351 CF8 A351 CF8M A351 CF3 A351 CF3M
Superficiem signantes 13Cr/STL STL Corpus / STL Corpus / STL Corpus / STL Corpus / STL
Valvae hastile A182 F6a A182 F11 A182 F304 A182 F316 A182 F304L A182 F316L
Gasket Flexibile graphite Flexibile graphite Flexibile graphite Flexibile graphite Flexibile graphite Flexibile graphite
fulmen A193 B7 A193 B16 A193 B8 A193 B8M A193 B8 A193 B8M
Nucis A194 2H A194 4 A194 8 A194 8M A194 8 A194 8M
operating temperatus -29~425℃ -29~540℃ -46~425℃ -46~425℃ -46~425℃ -46~425℃
Idonea media vapor vapor infirma mordax infirma mordax infirma mordax infirma mordax

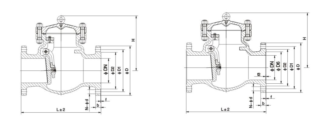
Praecipua figura et nexus dimensiones

Nominal diameter magnitudine
m in L D D1 D2 b f n-Φd H
H44H-150Lb
50 2 203 152 120.5 92 16 1.6 4-19 180
80 3 241 192 152.5 127 19 1.6 4-19 190
100 4 297 229 190.5 157 24 1.6 8-19 203
125 5 330 254 216 186 24 1.6 8-22 229
150 6 356 279 241.5 216 26 1.6 8-22 257
200 8 495 342 298.5 270 29 1.6 8-22 292
250 10 622 406 362 324 31 1.6 12-25 355
300 12 698 483 432 381 32 1.6 12-25 396
H44H-300Lb
50 2 267 165 127 92 23 1.6 8-19 178
80 3 318 210 168.5 127 29 1.6 8-22 216
100 4 356 254 200 157 32 1.6 8-22 241
125 5 400 279 235 186 35 1.6 8-22 267
150 6 444 318 270 216 37 1.6 12-22 305
200 8 533 381 330 270 42 1.6 12-25 368
250 10 622 445 387 324 48 1.6 16-29 394
300 12 711 521 451 381 51 1.6 16-32 445
H44H-600Lb
50 2 295 165 127 92 33 6.4 8-19 203
80 3 359 210 168 127 36 6.4 8-22 235
100 4 435 273 216 157 45 6.4 8-25 286
125 5 511 330 266.5 186 52 6.4 8-29 292
150 6 562 356 292 216 55 6.4 12-29 330
200 8 664 419 349 270 63 6.4 12-32 381
250 10 791 510 432 324 71 6.4 16-35 457
300 12 842 559 489 381 74 6.4 20-35 584

Structura pictura

Hot Tags: API Perscriptio Valvae, China, Mos, Qualitas, Dura, Provecta, Manufacturer, Supplier, Factory, in Stock
Mitte Inquisitionem
Contactus info
  • Oratio

    No.1, Septentrionalis 1st Road, Diver Novus Urbs, Lecong Steel Mundus West Road, Shunde District, Foshan urbs, Guangdong Provincia, China

Percontatione valvularum portarum, valvularum globorum et valvularum inspicias vel indicem pretiosum, electronicam tuam nobis relinque et intra 24 horas erimus.

X
Crusulis utimur ut meliorem experientiam pasco tibi praebeamus, situm negotiationis et personalize contentus analyse. Hoc situ utendo, ad nostrum crustulorum usum consentis. Privacy Policy
Reject Accipe